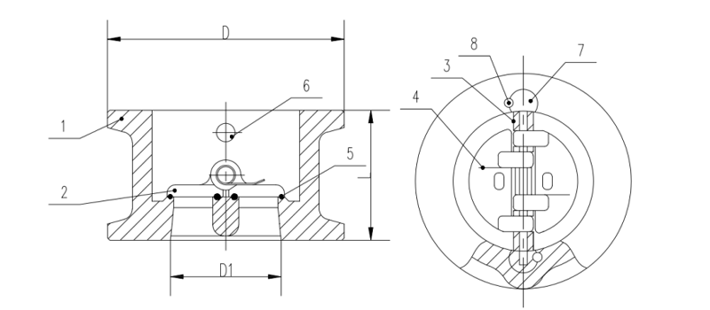
1. Valve body is made by precision casting. After two shot blasting treatments, the appearance is fine and there is no trachoma. Each batch of castings has a burner number for easy tracking.
2. All stainless steel 304/316 are real and have material test report.
3. The springs pass through tensile test to ensure that the butterfly can quickly switch.
4. The disc is polished to ensure the sealing between disc and valve body.
5. From the raw material to the finished product, every process has strict inpection.
6. The valve seat adopts a vulcanization process to prevent the rubber from falling off.
7. All products can reach static pressure zero leakage.
8. Pango brand product quality is covered by China Pacific Insurance with two million dollars. Two years warranty, pay two back if one bad within two years. Any quality problems of the product itself, we will pay without conditions.







