Get Started
Wafer Butterfly Valve with Handle

Size Range:DN50-DN200

Pressure: PN10/PN16

Body Material:DI/WCB

Seat Material:EPDM

Disc Material:CF8

Stem Material:SS304

Features: Solid valve body, high precision and quality,stable,endurable. It is mainly used in municipal construction, water treatment, power, water supply and drainage, water conservancy projects.

Get a Quote
Product Technical Catalogue
Product advantages

1.The product side flanges comply with national, German, Russian, American, British and Japanese standards and other domestic and international standards for multiple pressures, easy connection and wide adaptability, which can reduce the type of purchase and stock.

2.Standard EPDM rubber seat with reliable leak free performance. Seat rubber USES EPDM rubber in accordance with standard. Seat elasticity and tension are more stable and reliable.

3.The product has an independent identity to ensure traceability. Each Pango product has its own QR code mark, unique identification number, to ensure product traceability.

4.Special spraying valve body, 36 months without discoloring.The surface of the valve body adopts the electrostatic powder thermal spraying technology, which is more environmentally friendly and weather resistant, and ensures that the valve body does not change color for 36 months.

5.Intelligent test and pressure test to ensure product quality. Each product is pressure tested by the Pango intelligent testing equipment, and the inspection report is automatically generated. Every data and report is kept for 5 years to ensure the delivery qualified rate.

6.Solid valve body, more stable. Valve body is solid body, same caliber weight is heavier than other manufacturers.

7.Each product is packed separately with heat shrinkable film, ash proof and moisture proof.Each product is packed with heat-shrinkable film, and has a built-in drying agent to isolate air dust, facilitate storage and avoid corrosion caused by damp.

Parameters

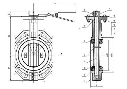
image.png


Parameter Information:

1. Executive standard:

NameDesign and manufactureFace to face LengthPressure Test Top Flange End Flange 
Reference standardGB/T 12238GB/T 12221GB/T 13927ISO 5211CLASS150/PN6/PN10/PN16/
5K/10K/TABLE D/TABLE E


2. Material of Main Parts:

Name1-Body2-Seat3-Disc4-Stem5-worm gear
Material and descriptionDIEPDMCF8SS304Module


3. Dimensions:

DNNPSInchLPN10PN16150LBJIS 10K



ΦKn-ΦdΦKn-ΦdΦKn-ΦdΦKn-Φd
DN502"431254-Φ181254-Φ18120.74-Φ191204-Φ19
DN652.5"461454-Φ181454-Φ18139.74-Φ191404-Φ19
DN803"461608-Φ181608-Φ18152.44-Φ191508-Φ19
DN1004"521808-Φ181808-Φ18190.58-Φ191758-Φ19
DN1255"562108-Φ182108-Φ18215.98-Φ22.42108-Φ23
DN1506"562408-Φ222408-Φ22241.38-Φ22.42408-Φ23
DN2008"602958-Φ2229512-Φ22298.48-Φ22.429012-Φ23