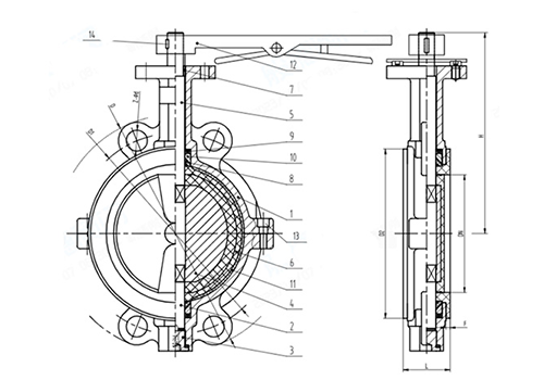
1. Precision casting valve body with fine appearance
All the valve body is made of WCB material with fine appearance. Each batch of casting has a specific number to facilitate production tracking and quality inspection.
2. The seat is reprocessed and shaped, with good sealing performance
PTFE seat is machined into shape after integral die casting to ensure density and tightness.
3. Double seal to avoid leakage
Double sealing ring is used on both sides of valve shaft to avoid leakage at valve shaft.
4. Special process painting, effective anti-corrosion
The valve body is electrostatic coated with powder epoxy resin, which can effectively prevent corrosion and rust caused by the contact between the valve body and the medium, and can be used in the sewage system.
5. Select raw materials with reliable quality
All raw materials of PTFE adopt domestic first-line brands.
6. Repeated quality inspection to ensure product quality
From parts and parts to finished packaging factory each link strict quality control.
7.Two years warranty, pay two back if one bad
The products of Bundor are insured by the Pacific insurance company with 10 million quality, and the quality is guaranteed for two years.







