Get Started
Full PTFE Lined Wafer Butterfly Valve

Size Range:DN50-DN600

Pressure: PN10/16/150LB

Body Material:WCB+PTFE

Seat Material:PTFE

Disc Material:WCB+PTFE

Stem Material:2Cr13

Features: The valve body is solid.High precision and quality. The suitable medium includes water, weak acid and alkali, air, steam, oil, etc. It can be used in food, medicine, chemicals, environmental protection, water treatment, water supply and drainage, etc

Get a Quote
Product Technical Catalogue
Product advantages

1. Precision casting valve body. Standard WCB material, fine appearance, no trachoma. Each batch of castings have furnace number.


2. Teflon seat is molded by integral die-casting to ensure the density and sealing after machining.


3. Double seal rings are used to seal up and down the valve shaft to avoid leakage at the valve shaft.


4. Valve body is covered with powder foam epoxy resin by electrostatic coating with a spray thickness of 250 centimetres, which can effectively prevent corrosion and rust caused by contact between the valve body and the medium, and can be used in the sewage system.


5. All teflon raw materials adopt domestic first-line brands.


6. From the raw material to the finished product, every process has strict inpection.


7. Pango brand product quality is covered by China Pacific Insurance with two million dollars. Two years warranty, pay two back if one bad within two years. Any quality problems of the product itself, we will pay without conditions.


Parameters

26-3.png


Parameter Information:

1. Executive standard:

NameDesign and manufactureFace To FacePressure testing standardTop FlangeFlange
Reference StandardGB/T 12238-2008GB/T 12221-2008GB/T 13927-2008ISO 5211GB/T 9113-2010/ EN1092-1/ASME B16.5


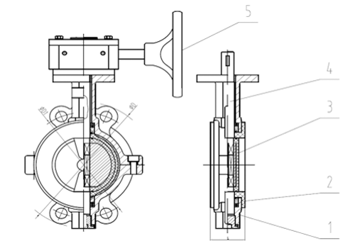
2. Material of Main Parts:

Name1-Body2-Seat3-Disc4-Stem5-Worm Gear
Materials and instructionsWCB+PTFEPTFEWCB+PTFE2Cr13Component


3. Dimensions:

SizeFace To FacePN10PN16Class150
DNNPS(Inch)LΦDΦD1Z-ΦdΦDΦD1Z-ΦdΦDΦD1Z-Φd
50 2''431651254-Φ181651254-Φ18165120.74-Φ19
65 2  1/2''461851454-Φ181851454-Φ18185139.74-Φ19
80 3''462001608-Φ182001608-Φ18200152.44-Φ19
100 4''522201808-Φ182201808-Φ18220190.58-Φ19
125 5''562502108-Φ182502108-Φ18250215.98-Φ22.4
150 6''562852408-Φ222852408-Φ22285241.38-Φ22.4
200 8''603402958-Φ2234029512-Φ22340298.58-Φ22.4
250 10''6839535012-Φ2240535512-Φ2640536212-Φ25.4
300 12''7844540012-Φ2246041012-Φ26460431.812-Φ25.4
350 14''7850546016-Φ2252047016-Φ26520476.312-Φ28.4
400 16''10256551516-Φ2658052516-Φ30580539.816-Φ28.4
450 18''11461556520-Φ2664058520-Φ30640577.916-Φ31.8
500 20''12767062020-Φ2671565020-Φ3071563520-Φ31.8
600 24''15478072520-Φ3084077020-Φ36840749.320-Φ35.1