Get Started
Basket Strainer

Size Range:DN15-DN400

Pressure: PN16

Body Material:WCB

Features: High precision and high quality, The suitable medium includes water, oil, steam, sewage. It is mainly used in municipal construction, water conservancy projects, oil products, water supply and drainage, water treatment.

Get a Quote
Product Technical Catalogue
Product advantages

1. The valve bodies are all precision cast valve bodies with fine appearance and no trachoma. Each batch of castings has a furnace number mark to facilitate production tracking.


2. All Stainless Steel materials such as 304/316 are guaranteed to be tested and come with a material sheet.


3. The weight of the same caliber is heavier than that of the same valve.


4. The mesh adopts a full welding process, and the filter opening rate reaches 80%. The wear resistance and corrosion resistance are improved, while avoiding the filter from being washed away and the leakage of particulate matter.


5. Each valve body undergoes surface pickling and passivation treatment to make the appearance of the casting a uniform silver-white bright color, maintain the metallic luster, and improve corrosion resistance.


6. Every valve leaves the factory with double-layer pressure testing of shell and seal in accordance with national standards.


7. Pango  brand product quality is covered by China Pacific Insurance with two million dollars. Two years warranty, pay two back if one bad within two years. Any quality problems of the product itself, we will pay without conditions.

Parameters

35-3.png


Parameter Information:

1. Executive standard:

NameDesign and manufactureFace to face LengthPressure TestEnd Flange
Reference standardSH/T3411-2017MFGGB/T 13927GB/T 9113-2010/ EN1092-1


2. Material of Main Parts:

Name1-Body2-Screen3-Bonnet
MaterialWCBSS304WCB


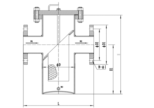
3. Dimensions:

SizeLHH1DD1D2
DNNPS
151/2"180260160769565
203/4"1802601607610575
251"1802601607611585
321-1/4"20027016076135100
401-1/2"260300170108145110
502''260300170108160125
652-1/2''330360240133180145
803''340400250159195160
1004''400470300219215180
1255''480550360273245210
1506''500630420273280240
2008''560780530325335295
25010''660930640426405355
30012''7501200840457460410
35014''8101370920508520470
40016"9001500950559580525