Get Started
Globe Valve

Size Range:DN15-800

Pressure: PN10-PN100

Body Material:WCB

Seat Material:13Cr

Disc Material:WCB

Stem Material:2Cr13

Features: The valve body is solid. High precision and quality. The suitable medium includes water,steam,oil. It can be used in water, sewage, construction, petroleum, chemical, food, medicine, textile, Power, Marine, metallurgy, energy systems

Get a Quote
Product advantages

1. Precision casting valve body. Standard WCB material, fine appearance, no trachoma. Each batch of castings have furnace number.


2. Use CNC lathes to machine internals. After the machining, the valve body is shot blasted twice, and the appearance is beautiful.


3. The same diameter valve has heavier weight compared with other manufacturers.


4. the valve seat material is cr-based stainless steel + surfacing 507 molybdenum, increasing the wear resistance of the valve seat.


5. The valve cover and the valve stem are in contact with the valve to prevent the leakage.


6. The valve stem is processed by cyclone milling to avoid the difficulty of switching due to the bending of the valve stem.


7. Each valve is factory tested for pressure according to national standards.


8. From the raw material to the finished product, every process has strict inpection.


9.Pango brand product quality is covered by China Pacific Insurance with two million dollars. Two years warranty, pay two back if one bad within two years. Any quality problems of the product itself, we will pay without conditions.


Parameters

3ff29c3164c217fb1ea11c1c3762540f.png


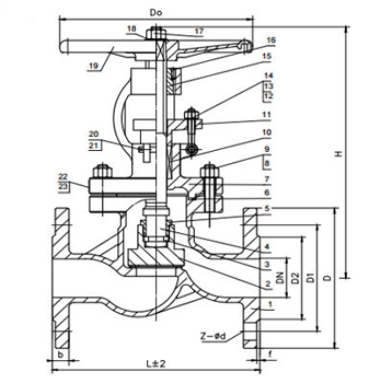
Parameter Information:

1. Executive standard:

NameDesign and manufactureFace to face LengthPressure TestEnd Flange
Reference StandardGB/T 12235GB/T 12221-2005JB/T 9092-1999GB/T 9113-2010/EN1092-1


2. Material of Main Parts:

Name1-Body2-Seat3-Disc4-Stem5-Handwheel
MaterialWCB13CrWCB2Cr13DI


3. Dimensions:

SizePN10
DNNPS (inch)LDD1D2z-Φd
151/2"1309565454-14
203/4"15010575554-14
251''16011585654-14
321-1/4''180135100784-18
401-1/2''200145110854-18
50 2''2301601251004-18
65 2-1/2''2901801451204-18
80 3''3101961601354-18
100 4''3502151801558-18
125 5''4002452101858-18
150 6''4802802402108-23
200 8''6003352952658-23
250 10''65039035032012-23
300 12''75044040036812-23
35014''85050046042816-23
40016''95056551548216-26
45018''105061565653220-26
50020''115067062058520-26
60024''135078072568520-30
70028"145089684080024-30
80032"1650101095090524-34

SizePN16
DNNPS (inch)LDD1D2z-Φd
151/2"1309565454-14
203/4"15010575554-14
251''1611585654-14
321-1/4''180135100784-18
401-1/2''200145110854-18
50 2''2301601251004-18
65 2-1/2''2901801451204-18
80 3''3101951601358-18
100 4''3502151801558-18
125 5''4002452101858-18
150 6''4802802402108-23
200 8''60033529526512-23
250 10''65040535532012-25
300 12''75046041037512-25
35014''85052047043516-25
40016''95058052548516-30
45018''105064058554520-30
50020''115070565060820-34
60024''135084077071820-41
70028"145091084078824-41
80032"1650102095089824-41

SizePN25
DNNPS (inch)LDD1D2z-Φd
151/2"1309565454-14
203/4"15010575554-14
251''16011585654-14
321-1/4''180135100784-18
401-1/2''200145110854-18
50 2''2301601251004-18
65 2-1/2''2901801451208-18
80 3''3101951601358-18
100 4''3502301901608-23
125 5''4002702201888-25
150 6''4803002502188-25
200 8''60036031027812-325
250 10''65042537033212-30
300 12''75048543039016-30
35014''85055049044816-34
40016''95061055050516-34
45018''105066060055520-34
50020''115073066061020-41
60024''135084077071820-41
70028"145095587581524-41
80032"1650107099093024-48

SizePN40
DNNPS (inch)LDD1D2z-Φd
151/2"1309565454-14
203/4"15010575554-14
251''16011585654-14
321-1/4''180135100784-18
401-1/2''200145110854-18
50 2''2301601251004-18
65 2-1/2''2901801451208-18
80 3''3101951601358-18
100 4''3502301901608-23
125 5''4002702201888-25
150 6''4803002502188-25
200 8''60037532028212-30
250 10''65044538534512-34
300 12''75051045040816-34
35014''85057051046516-34
40016''95065558553516-41
45018''105068061056020-41
50020''115075567061220-48
60024''135089079573020-54
70028"145095590083524-54
80032"16501135103096024-58

SizePN63
DNNPS (inch)LDD1D2z-Φd
151/2"16510575554-14
203/4"19012590684-18
251''210135100784-18
321-1/4''230150110824-23
401-1/2''260165125954-23
50 2''3001751351054-23
65 2-1/2''3402001601308-23
80 3''3802101701408-23
100 4''4302502001688-25
125 5''5002952402028-30
150 6''5503402802408-34
200 8''65040534530012-34
250 10''77547040035212-41
300 12''90053046041216-41
35014''102559552547516-41
40016''115067058552516-48
50020''140080070564020-54

SizePN100
DNNPS (inch)LDD1D2z-Φd
151/2"16510575554-14
203/4"19012590684-18
251''210135100784-18
321-1/4''230150110824-23
401-1/2''260165125954-23
50 2''3001951451124-25
65 2-1/2''3402201701388-25
80 3''3802301801488-25
100 4''4302652101728-30
125 5''5003102502108-34
150 6''55035029025012-34
200 8''65043036031212-41
250 10''77550043038212-41
300 12''90058550044216-48
35014''102565556049816-54
40016''115071562055816-54