Get Started
Exhaust Valve

Size Range:DN50-DN200

Pressure: PN10/16

Body Material:DI

Seat Material:EPDM

Disc Material:304

Flanged Material:DI

Get a Quote
Product advantages
  1. The valve body adopts QT450-10 material, spheroidization rate 3, stronger mechanical properties, tensile strength 450Mpa, elongation of more than 10%;

  2. The valve body and internal parts are processed by precision CNC machine tools to ensure accuracy;

  3. The float is made of 304 stainless steel with higher corrosion resistance;

  4. Each valve packaging before ultrasonic cleaning, eliminate dirt and particulate impurities in the valve body to ensure the cleanliness of the valve;

  5. Each valve has undergone strict pressure testing.


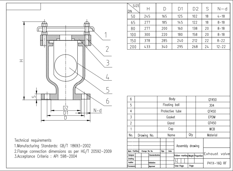
Parameters

image.png




1. Executive standard






NameDesign and
manufacture
Face to face
Length
Pressure Test




As perGB/T 18693-2002HG/T 20592-2009API 598-2004




2. Material of Main Parts:



NameBodySealingFloating Ball




MaterialQT450/WCB/CF8EPDM/NBR201/304/316




3. Dimensions:


DNNPS(Inch)HΦDΦD1N-φd
50 2''2451651254-18
65 2  1/2''2771851458-18
80 3''2772001608-18
100 4''3002201808-18
125 5''3782502108-18
150 6''3782852408-22
200 8''43334029512-22